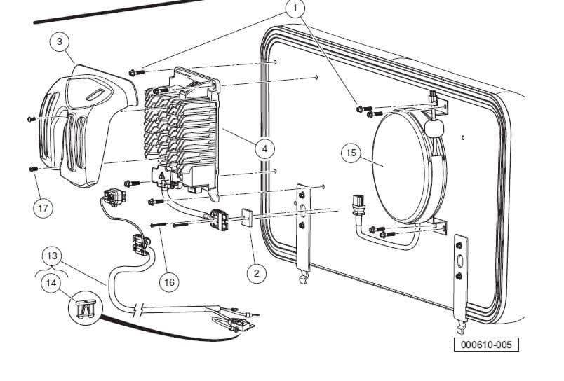
Kabelrolle einziehbar, wenn Hochfrequenz-Ladegerät an Bord
Kabelrolle einziehbar, wenn Hochfrequenz-Ladegerät an Bord

Kabelrolle einziehbar, wenn Hochfrequenz-Ladegerät an Bord

Art.Nr.:
105084501
Lieferzeit:
ca. 3-4 Werktage ca. 3-4 Werktage (Ausland abweichend)
649,00 EUR

zzgl. Versand

Dieses Produkt ist z.B. kompatibel zu:

ERIC Ladegerät Hochfrequenz, 12 "
Geeignet für Club Car 2014-Current Precedent - 2014-Current Carryall 300/500/550
1.595,00 EUR